- Poids13.0 kg
- FormeCylindrique
- Motorisation4 temps
- CarburantEssence
- Cylindrée163.0 cm³
- Démarrage du moteur thermiqueElectrique
- Quantité par pack1.0 produits
- Puissance4100.0 W
- Réf. ManoManoME14780295
- Garantie2 années
- Réf. fabricantgw3er16355v19
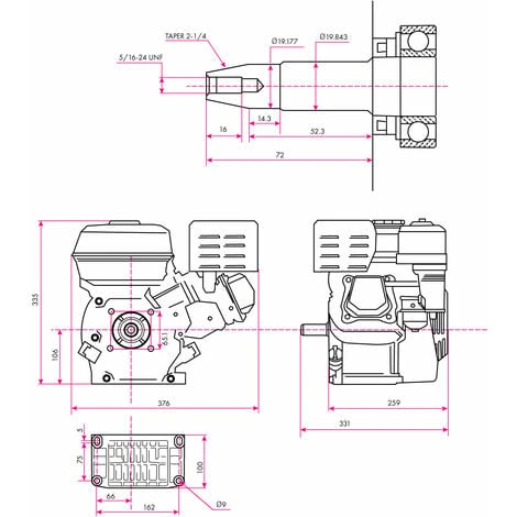
Pour peu que le châssis et les ondes correspondent, le remplacement du moteur seffectue sans problème. Le moteur a un arbre conique et le diamètre est de 19 mm.
Le moteur à essence démarre via traction de câble. Il dispose dune sécurité en cas dessence insuffisante pour ne pas abimer le moteur. Cet article est parfaitement performant et très durable pour peu que vous lentreteniez convenablement.
La livraison ne contient ni huile, ni essence, à utiliser avec du sans-plomb!
Caractéristiques Top
- Le moteur à essence 4 temps 1 cylindre dEBERTH est démarré à laide dun palan à câble
- Pour protéger le moteur, le moteur est équipé dun dispositif de sécurité basse pression dhuile
- Moteur standard de lindustrie, idéal pour le remplacement de moteurs anciens ou défectueux
- Arbre conique tournant à gauche (sens anti-horaire) et diamètre 19 mm
- Inclus dans la livraison sont la trousse à outils embarquée, la clavette et le mode demploi
Données techniques
- Puissance moteur: 5,5 CV / 4,1 kW
- Cylindre: 163 cc
- Essence: sans plomb
- Volume dhuile: 0,6 Liter
- Moteur huile: 10W – 30
- Dimensions: 335 x 376 x 331 mm
- Poids: env. 13 kg
Contenu de la livraison
- 1x EBERTH GW3-ER163-5.5-V19 Moteur à essence
- 1x Outils de montage et entretien
- 1x Mode demploi


















Avis
Il n’y a pas encore d’avis.